Audio Interfaces - Redbox - Synchronisers, Delays & Silence Detectors
![]() |
||
![]() |
![]() |
![]() |
Iso View |
Front View |
Rear View |
RB-SD1IP Silence Detection Unit With Ethernet & USB.
RB-SD1IP Silence Detection Unit With Ethernet & USB
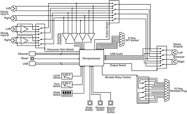
The RB-SD1IP Silence detection unit is an upgraded version of the RB-SD1. The unit is a 1U rack mount device used to monitor an unattended stereo studio feed and in the event of the signal going “quiet” after a given period the unit will switch through an alternative stereo audio signal. This signal could be a recorded message (e.g. “Normal service will be resumed”, etc), a feed from a flashcard player, audio from a connected USB flash drive or an alternative recorded program. Controls are provided to start external equipment and to provide remote status indication.
New Features:
The RB-SD1IP offers all of the functionality of the standard RB-SD1 with several extra capabilities. Ethernet connectivity provides the ability to set up and control the unit via a browser based GUI. The network capabilities allow the user to more finely control silence level (-60dBu to 0dBu in 3dBu steps) and silence duration (1 second to 24 hours). You can also remotely lock/unlock the front panel controls on the unit and opt to use either the hardware configured settings or web based settings. In addition to the front panel LEDs the GUI home page offers a real time view of signal levels and alarm statuses.
Using the new browser GUI, left and right channels can be treated independently and remote relay triggers can be configured as one of many events including the new GPIO pins. You can also choose to lock/unlock the use of the remote pins to control the unit and firmware updates can also be performed using the web GUI.
SNMP V1 is implemented so that the unit can be controlled by existing network management systems. The addition of 6 extra GPIO pins to the rear panel allows customisable functionality, including the use of the RB-SD1IP network interface to generate SNMP Traps on behalf of other, non-networked, hardware.
The RB-SD1IP has been fitted with a USB interface on the front panel and can act as a host in two ways. Firstly the USB port can be used to upgrade the firmware on the unit from a USB flash drive. Secondly, such a drive can hold a pre-recorded message which the unit can play out in the event that both main and auxiliary signals fall silent.
Key Features of the RB-SD1IP
IP Enabled with Web Browser control interface.
SNMP V1 Compatible.
Trap generation for non-networked hardware via GPIO port.
USB Functionality.

Technical Specification For RB-SD1IP |
|
Audio Specification |
|
Maximum Input Level: | +28dBu |
Input Impedance: | >100kΩ balanced |
Maximum Output Level: |
+28dBu |
Output Impedance: | As input, except when using unbalanced auxiliary input where output impedance <50Ω |
Frequency Response: | 20Hz - 20kHz ±0.1dB |
Gain: | +8dB (for unbal input B - optional) |
Noise: | <-93dB, unity gain, ref +8dBu output for unbal input |
Distortion: | As input for balanced input, <0.02% @ 1kHz ref +8dBu output for unbalanced input |
Rear Panel Connections and Controls |
|
Inputs (Main & Auxiliary): | 4 x XLR 3 pin female (balanced, auxiliary can be unbalanced) |
Output: | 2 x XLR 3 pin male (balanced) |
Remotes: | 15 way D-Type plug |
GPIO: | 9 way D-Type socket |
Alarm Threshold: | -15dBu to -60dBu in 3dB steps via rotary switch 0dBu to -60dBu in 3dB steps via web GUI |
Silence Detect Duration: | 2 - 30 seconds in 2 second intervals & 125 second option via rotary switch 1 second – 24 hours using web GUI |
Detection Type: | Mono or Stereo, via DIP switch Mono, Stereo, or dual mono via web GUI |
Silence Switch Defeat: | Disable/enable silence switching, via DIP switch or GUI |
Remote Start: | Latched or momentary, via DIP switch or GUI |
Ethernet: | 10/100Mbps on 1xRJ45 socket with status LEDs |
Mains Input: | Filtered IEC, continuously rated 85-264VAC @47-63hz 10W max |
Fuse Rating: | Anti-surge fuse 1A 20 x 5mm (250VAC) |
Front Panel Controls and Indicators |
|
Controls (With Indicators): | Source Select, Mode Select and Restore |
Indicator: | Program and Alarm indicators for left and right source for both Main and Auxiliary channels, power indicator |
Reset: | Recessed push button |
USB Port: | 1 x USB A socket |
USB |
|
The RB-SD1IP can act as a host for low powered USB Mass Storage devices in order to playback Audio files as an emergency backup system for when both Main and Auxiliary sources fail. | |
File System(s): | FAT & FAT32 |
Supported Audio: | .wav extension (16 bit Stereo PCM @ 48KHz, 24KHz, 12KHz, 44.1KHz, 22.050KHz, 11.025KHz, 32KHz, 16KHz, 8KHz) |
Note: Additional Audio support may be added in future updates | |
Equipment Type |
|
RB-SD1IP | Silence Detection Unit With Ethernet & USB |
Physical Specification |
|
Dimensions (Raw): | 48cm (W) x 10.8cm (D) x 4.2cm (H) (1U) 19” (W) x 4.3” (D) x 1.7” (H) (1U) |
Dimensions (Boxed): | 58.5cm (W) x 22.5cm (D) x 7cm (H) 23” (W) x 8.9” (D) x 2.8” (H) |
Weight: | Nett: 1.4kg Gross: 2.0kg Nett: 3.1lbs Gross: 4.4lbs |