Mixing Consoles - Input Channels
S2-CMM Mic/Mic Channel

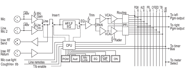
The mic/mic input channel is a dual mono microphone input with a button switch to select either Mic 1 or Mic 2. Each Mic input has jumper settable phantom power available at +48V and a high pass filter to remove low frequency rumbles. When enabled, the LF response of the microphone is rolled off at 125kHz, 6dB per octave. If the Mic input is used for the presenter’s mic it can also become the talkback mic.
Equalisation is fitted as standard on this channel and is enabled by the EQ button, providing 10dB cut and boost at HF (6.5kHz) and LF (100Hz). The BAL/PAN control operates as follows : Full anti-clockwise pans the signal to the left and increases the signal by 3dB (right channel reduces by 70dB); full clockwise pans the signal to the right and increases the signal by 3dB (left channel reduces by 70dB).
A balanced line level insert send and return is available for the Mic input. This is useful for hooking up an outboard effects unit to be used with the microphone.There are logic remote input controls for Mic Cough muting and Reverse Talkback, together with two separate output controls for Mic Cue lights, which can be momentary or latching.
The remote outputs on the 9 way D-type plug are fed from NPN opto-isolators. Both Mic inputs have a jumper selectable output to facilitate either Control Room speaker or Studio speaker muting and the channel can also be used to control either one of two separate timer displays.Gold plated Neutrik XLR connectors are used for the audio inputs and outputs.
S2-CMM Mic/Mic
Channel and Rear.

S2-CMM & CML Block Diagram.
